- Inicio
- Generador estático de reactiva
Generador estático de reactiva
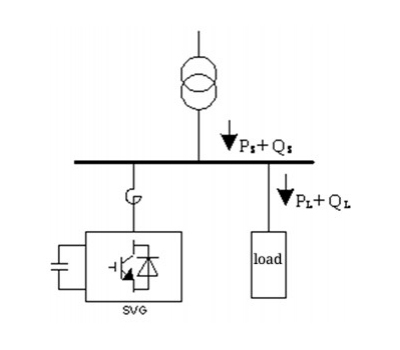
Los generadores VAR estático de alto voltaje de la serie RSVG están diseñados para mejorar la estabilidad de la red eléctrica y optimizar el factor de potencia mediante un sistema de compensación dinámica de potencia reactiva. Utilizan un avanzado algoritmo que detecta y ajusta los cambios en la potencia reactiva en tiempo real, garantizando un suministro eléctrico más seguro y eficiente. Su sistema de control digital, basado en DSP + FPGA, permite un ajuste preciso del voltaje y la corriente mediante un circuito en bucle cerrado y técnicas de desplazamiento de fase. Además, el uso de fibra óptica para la transmisión de señales proporciona un alto nivel de aislamiento eléctrico, mejorando la fiabilidad de los equipos y asegurando su funcionamiento estable en entornos exigentes.
Para garantizar un rendimiento confiable, estos generadores están equipados con un módulo en puente H con dispositivos IGBT, lo que les otorga una estructura robusta y eficiente. Su sistema de salida multinivel genera un voltaje escalonado que, tras filtrarse a través de un reactor de salida, produce una onda senoidal limpia, minimizando la distorsión armónica. Gracias a esta tecnología, se consideran convertidores libres de armónicos altamente eficientes. Cada sistema incluye una unidad de control, unidad de potencia, módulo de carga y un sistema de enfriamiento, mientras que su conexión a la red eléctrica puede realizarse mediante configuración en estrella o en triángulo (delta), ofreciendo flexibilidad para distintas aplicaciones industriales.
- Estaciones centrales de energía eléctrica: mejoran la estabilidad del voltaje transitorio y garantizan la seguridad operativa del sistema.
- Parques eólicos: mejora la estabilidad del voltaje del bus y elimina la oscilación.
- En la industria metalúrgica, industria petroquímica, minería y sistemas ferroviarios se utiliza para eliminar el flicker, compensar cargas, en litros de armónicos y para incrementar el factor de potencia de carga.
- Otras industrias: suprimir fluctuaciones de voltaje, filtrar armónicos y mejorar el factor de potencia.

- Generador Estático de VAR de Alto Voltaje RSVG - SVG en Cascada de 6 kV
- Generador Estático de VAR de Alto Voltaje RSVG - SVG en Cascada de 10 kV
- Generador Estático de VAR de Alto Voltaje RSVG – SVG Monofásico de 27.5 kV
- Generador Estático de VAR de Alto Voltaje RSVG - SVG en Cascada de 35 kV
- Modo de conexión: Conexión en estrella (Y) / Conexión en delta/triángulo (D)
- Lugar de instalación: interior
- Modo de refrigeración: refrigeración por aire
- Número de fases de compensación: Trifásico (T) / Monofásico (S)
- Nivel de voltaje del punto de acceso (kV) / Nivel de reducción (kV)
- Modo de conexión: Conexión en estrella (Y) / Conexión en delta/triángulo (D)
- Lugar de instalación: exterior
- Modo de refrigeración: refrigeración por aire
- Número de fases de compensación: Trifásico (T) / Monofásico (S)
- Nivel de voltaje del punto de acceso (kV) / Nivel de reducción (kV)
- Modo de conexión: Conexión en estrella (Y) / Conexión en delta/triángulo (D)
- Lugar de instalación: interior
- Modo de refrigeración: refrigeración por agua
- Número de fases de compensación: Trifásico (T) / Monofásico (S)
- Nivel de voltaje del punto de acceso (kV) / Nivel de reducción (kV)
- Modo de conexión: Conexión en estrella (Y) / Conexión en delta/triángulo (D)
- Lugar de instalación: exterior
- Modo de refrigeración: refrigeración por agua
- Número de fases de compensación: Trifásico (T) / Monofásico (S)
- Nivel de voltaje del punto de acceso (kV) / Nivel de reducción (kV)
- Modo de conexión: Conexión en estrella (Y) / Conexión en delta/triángulo (D)
- Lugar de instalación: interior
- Modo de refrigeración: refrigeración por aire
- Número de fases de compensación: Trifásico (T) / Monofásico (S)
- Nivel de voltaje del punto de acceso (kV) / Nivel de reducción (kV)
- Modo de conexión: Conexión en estrella (Y) / Conexión en delta/triángulo (D)
- Lugar de instalación: exterior
- Modo de refrigeración: refrigeración por aire
- Número de fases de compensación: Trifásico (T) / Monofásico (S)
- Nivel de voltaje del punto de acceso (kV) / Nivel de reducción (kV)
- Modo de conexión: Conexión en estrella (Y) / Conexión en delta/triángulo (D)
- Lugar de instalación: interior
- Modo de refrigeración: refrigeración por agua
- Número de fases de compensación: Trifásico (T) / Monofásico (S)
- Nivel de voltaje del punto de acceso (kV) / Nivel de reducción (kV)
- Modo de conexión: Conexión en estrella (Y) / Conexión en delta/triángulo (D)
- Lugar de instalación: exterior
- Modo de refrigeración: refrigeración por agua
- Número de fases de compensación: Trifásico (T) / Monofásico (S)
- Nivel de voltaje del punto de acceso (kV) / Nivel de reducción (kV)
- Modo de conexión: Conexión en estrella (Y) / Conexión en delta/triángulo (D)
- Lugar de instalación: interior
- Modo de refrigeración: refrigeración por aire
- Número de fases de compensación: Trifásico (T) / Monofásico (S)
- Nivel de voltaje del punto de acceso (kV) / Nivel de reducción (kV)
- Modo de conexión: Conexión en estrella (Y) / Conexión en delta/triángulo (D)
- Lugar de instalación: exterior
- Modo de refrigeración: refrigeración por aire
- Número de fases de compensación: Trifásico (T) / Monofásico (S)
- Nivel de voltaje del punto de acceso (kV) / Nivel de reducción (kV)
- Modo de conexión: Conexión en estrella (Y) / Conexión en delta/triángulo (D)
- Lugar de instalación: interior
- Modo de refrigeración: refrigeración por agua
- Número de fases de compensación: Trifásico (T) / Monofásico (S)
- Nivel de voltaje del punto de acceso (kV) / Nivel de reducción (kV)
- Modo de conexión: Conexión en estrella (Y) / Conexión en delta/triángulo (D)
- Lugar de instalación: exterior
- Modo de refrigeración: refrigeración por agua
- Número de fases de compensación: Trifásico (T) / Monofásico (S)
- Nivel de voltaje del punto de acceso (kV) / Nivel de reducción (kV)
- Modo de conexión: Conexión en estrella (Y) / Conexión en delta/triángulo (D)
- Lugar de instalación: interior
- Modo de refrigeración: refrigeración por aire
- Número de fases de compensación: Trifásico (T) / Monofásico (S)
- Nivel de voltaje del punto de acceso (kV) / Nivel de reducción (kV)
- Modo de conexión: Conexión en estrella (Y) / Conexión en delta/triángulo (D)
- Lugar de instalación: exterior
- Modo de refrigeración: refrigeración por aire
- Número de fases de compensación: Trifásico (T) / Monofásico (S)
- Nivel de voltaje del punto de acceso (kV) / Nivel de reducción (kV)
- Modo de conexión: Conexión en estrella (Y) / Conexión en delta/triángulo (D)
- Lugar de instalación: interior
- Modo de refrigeración: refrigeración por agua
- Número de fases de compensación: Trifásico (T) / Monofásico (S)
- Nivel de voltaje del punto de acceso (kV) / Nivel de reducción (kV)
- Modo de conexión: Conexión en estrella (Y) / Conexión en delta/triángulo (D)
- Lugar de instalación: exterior
- Modo de refrigeración: refrigeración por agua
- Número de fases de compensación: Trifásico (T) / Monofásico (S)
- Nivel de voltaje del punto de acceso (kV) / Nivel de reducción (kV)

















